Request A Quote
Turbine Oil Purifier LTOS-A14 Manual
Turbine Oil Purifier LTOS-A14 Manual
Turbine Oil Purifier LTOS-A14 Manual
Turbine Oil Purifier LTOS-A14 Manual
Turbine Oil Purifier LTOS-A14 Manual
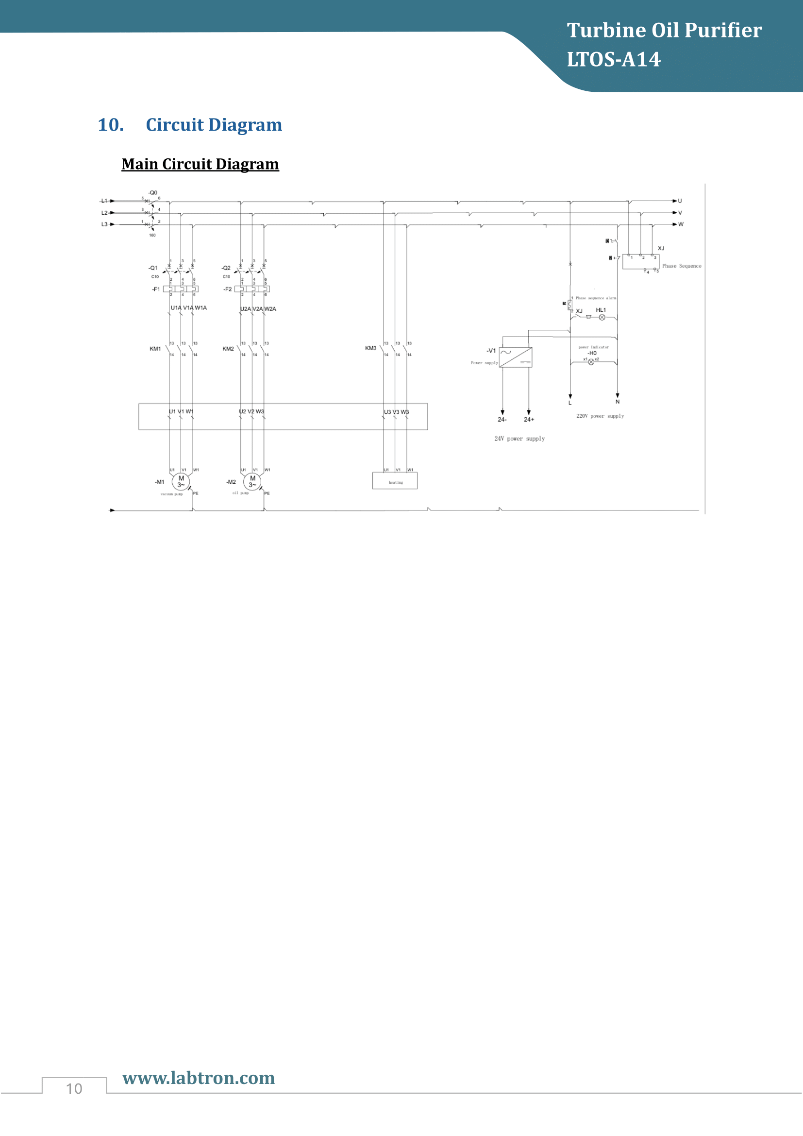
Turbine Oil Purifier LTOS-A14 Manual
Turbine Oil Purifier LTOS-A14 Manual
Turbine Oil Purifier LTOS-A14 Manual
Turbine Oil Purifier LTOS-A14 Manual
Turbine Oil Purifier LTOS-A14 Manual
Turbine Oil Purifier LTOS-A14 Manual
Turbine Oil Purifier LTOS-A14 Manual

All Manuals

Laboratory Equipment : Air Quality Monitor, Anaerobic Jar, Autoclave, Automated Stainers, Automated Cell Counter, Baths and Circulators, Biochemistry Analyzer, Biological Safety Cabinet, Blood Thaw Machine, CO2 Incubator, Calorimeters, Coagulation Analyzer, Chemistry Analyzer, Dispensing System, Drying Cabinet, Electrolyte Analyzer, Electrophoresis System, ESR Analyzer, Gel Documentation, Glassware Washer, Heating Mantle, Hematology Analyzer, Hemoglobin Analyzer, Hybridization Oven, Ice Maker, Inspissator, IR Carbon Sulphur Analyzer, Jar Tester, Kjeldahl Systems, Lab Refrigerator-Freezer Combination, Laboratory Balances, Laboratory Cabinets, Laboratory Centrifuge, Laboratory Chillers, Laboratory Freezers, Laboratory Fume Hood, Laboratory Hotplates, Laboratory Incubator, Laboratory Mixers, Laboratory Muffle Furnace, Rotary Evaporator, Sterilizers, Test Chamber, Testing Instruments, Thermo-Shakers, Ultrasonic Cleaner, Ultrasonic Homogenizer, Vortex Mixers, Water Distillers, Water Purification System, Water Purifier, Water Testing Equipment.

Analytical Equipment : Airborne Particle Counters, Atomic Absorption Spectrophotometer, Ball Mill Machine, Biological Air Sampler, Capsule Filling Machine, Colony Counter, Color Assessment Cabinet, Colorimeter, Dispersion Machine, Dust Monitor, Elemental (CHN) Analyzer, Environmental Monitoring Equipment, Film Applicator, FISH Hybridization, Flame Photometer, Flammability Tester, Fluorescence Analyzer, Gas Chromatography, Gas Detectors, Ion Chromatography, Laboratory Meters, Latex Stability Tester, Liquid Chromatography, Metal Detector, Particle Counter, Particle Size Analyzer, Pharmaceutical Testing, Polarimeter, Refractometer, Sample Concentrator, Scintillation Counter, Sound Level Analyzer, Spectrometer, Spectrophotometer, Thermal analyzers, Thermal Cycler, TOC Analyzer, Trace Detector, UV Analyzer, Viscometer, Wind Meter (Anemometer), XRD Diffractometer.

Catalogs : Laboratory Equipment Catalog, Analytical Equipment Catalog, Medical Equipment Catalog, Test Equipment Catalog, Petroleum Testing Catalog, Pharmaceutical Machinery Catalog, Security Systems Catalog, Lab Products Catalog.

Need a Product

send details for best price quotation

Click
For

Labtron Equipment Ltd. Quatro House, Lyon Way, Camberley, Surrey GU16 7ER United Kingdom

Email: info@labtron.com

WhatsApp: +44 73 4441 2688

Phone: +44 2080 043608

Follow us:

Newsletter

Subscribe now to receive monthly news & personalised offer!

Labtron Equipment Ltd., Quatro House, Lyon Way, Camberley, Surrey GU16 7ER United Kingdom

Email: info@labtron.com Whatsapp: +44 73 4441 2688 Phone: +44 2080 043608

Copyright © 2026 Labtron Equipment Ltd. All rights reserved.